emc易倍

您好,迎接接见emc易倍官网!
  • 会员登录
  • 留言反馈
  • 网站地图
emc易倍
联系emc易倍
emc易倍
邮箱:info@chinadiyi.cn
电话:0514-87531248
地址:江苏扬州市沙头镇三兴东路35号

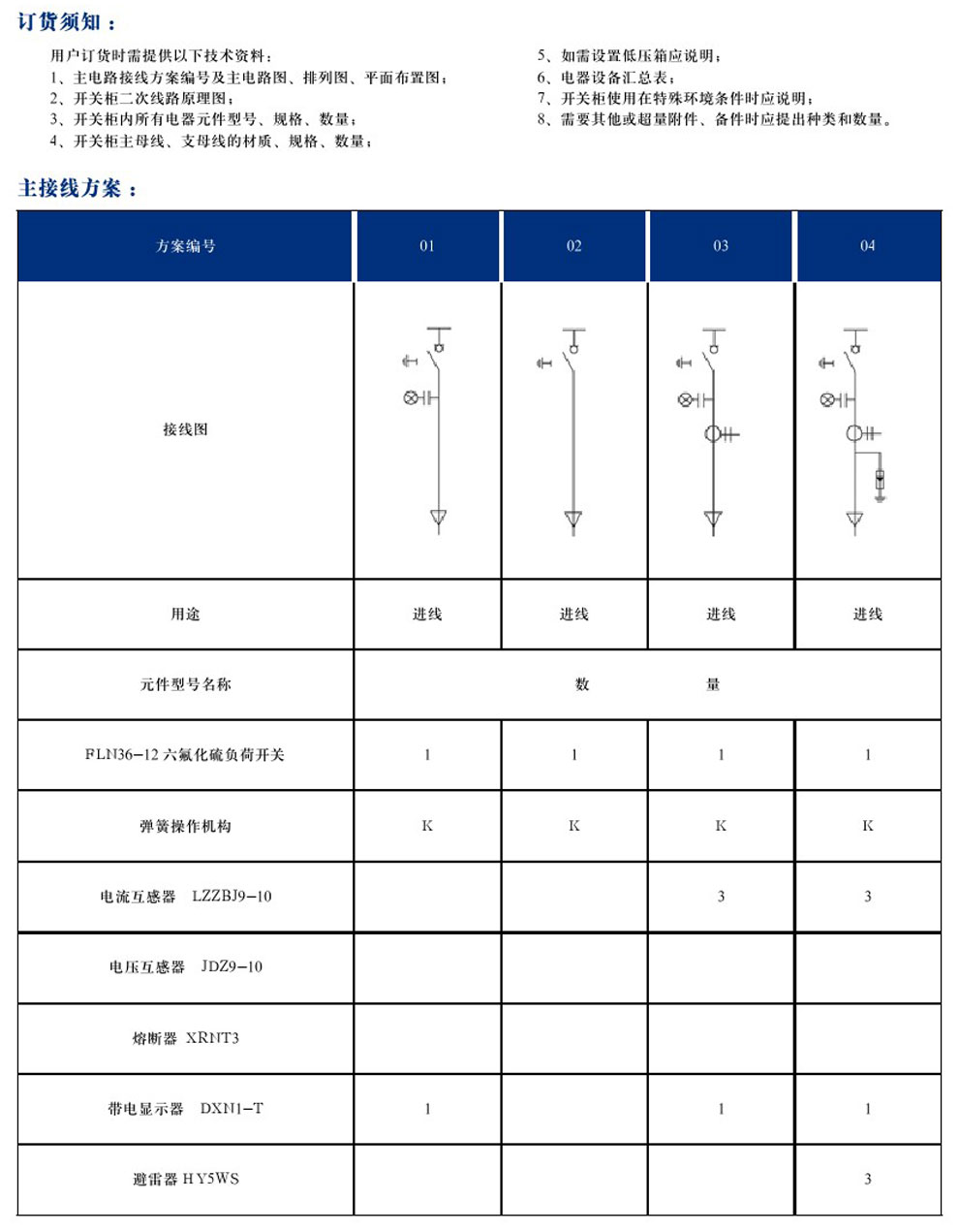
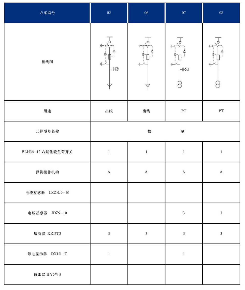
DYXG-12型互换高压金属环网开关设备

0514-87531248
【网站地图】